previous

next

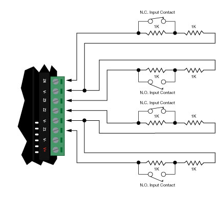
Input Connection

The PRT-WX-DIN controller allows the connection of up to 4 contacts for monitoring and controlling 2 access control doors.Each input on the Controller can be used for the door function that is automatically assigned and as a normal input on the system.

This example shows the connection of a normally closed door position monitoring contact to monitor the Open, Closed, Forced and Alarm conditions of the door.